Accueil B.Mol Gen Web
La paroi primaire de la cellule végétale
Ultrastructure de la paroi primaire
 

Les images observées en microscopie électronique à transmission dépendent fortement des techniques de préparation des échantillons. Voici quatre résultats obtenus sur le même type de matériel (parois primaires d'hypocotyles de soja en croissance) mais avec des techniques différentes.
fibrilles, ombrage métallique
fibrilles,coloration négative

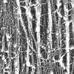
Ombrage métallique.
Les fibrilles semblent disposées de manière assez aléatoire (structure croisée).

Section à froid, dessication et coloration négative.
La plupart des fibrilles apparaissent parallèles entre elles.

Test cytochimique des polysaccharides (PATAg)
Test cytochimique des polysaccharides (PATAg)

Test cytochimique des polysaccharides (PATAg).
Les polysaccharides sont révélés par le test dans leur position d'origine. Cependant des images différentes peuvent apparaître.

  • à gauche, la structure ressemble à un contreplaqué (strates de fibrilles parallèles, à orientation perpendiculaires entre les strates).
  • à droite, la paroi semble formée de fibrilles courbes disposées en arceaux
 

Ces quatre images semblent contradictoires. La même paroi ne peut être à la fois constituée de fibrilles croisées, parallèles et torsadées ! Pour comprendre ce paradoxe, allez voir :

Une analyse critique de chaque image et technique correspondante :

Une démonstration d'une structure unitaire :

Une démonstration graphique :

 

[Haut de la page]

Roger PRAT, Michèle MOSINIAK, Jean-Claude ROLAND
 
Pour nous contacter :

contact mail


Tous droits réservés - Biologie et Multimédia - Sorbonne Université - UFR des Sciences de la Vie