La paroi primaire est par définition la paroi des cellules en
croissance. Elle doit donc à la fois maintenir la forme de la
cellule et permettre sa croissance. Dans la plupart des organes de type
"tige", c'est l'épiderme qui représente le tissu
régulateur de la croissance. C'est en effet le tissu cible de
l'hormone auxine. L'épiderme possède une paroi épaisse
différente de celles des autres cellules corticales.
Pour les aspects physiologiques, consultez le dossier :
La croissance
de la cellule végétale
| |
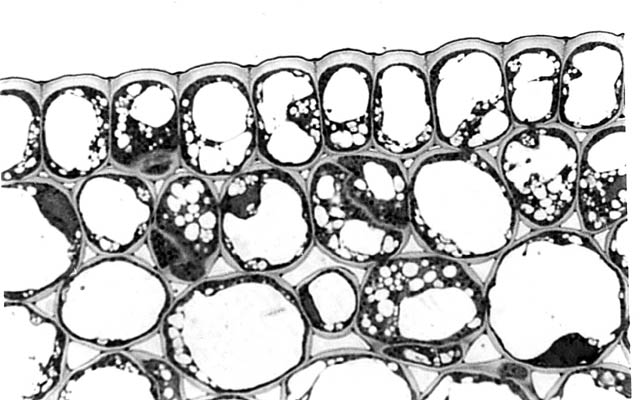
| Section semifine de
la région périphérique de l'hypocotyle de soja
dans la région en croissance. |
La structure de la paroi qui vient d'être secrétée
(à l'intérieur, contre la membrane plasmique) est différente
de celle de la paroi externe plus agée et qui a donc subie une
croissance antérieure (à l'extérieur).
| |
| 
|
Paroi
épidermique d'hypocotyle de soja en croissance, test cytochimique
des polysaccharides (PATAg). La
paroi nouvelle formée à partir de la membrane plasmique
(à gauche) présente une structure en arceaux. La paroi
plus ancienne (à droite) présente une structure distendue
par la croissance. Ces observations peuvent être schématisées.
|
| |
| Hypothèse sur
la modification de la structure pariétale au cours de l'élongation.
Très schématiquement,
la paroi a été découpée en trois zones,
de la paroi la plus ancienne (1) à la paroi nouvellement
synthétisée (3). Au moment de leur synthèse
par la membrane plasmique (en rouge), les fibrilles de cellulose
s'arrangent de manière régulière dans l'espace
(côté interne) et les zones les plus anciennes, s'amincissent
par suite de l'élongation, perdent leur structure régulière
et sont repoussées vers l'extérieur. |
La paroi se modifie donc au cours de son extension.
C'est donc dans sa structure et son architecture qu'il faut rechercher
les modalités de la croissance cellulaire.
| Pour compléter :
|
Les autres
rôles de la paroi :
|
[Haut de la page]
|