Les échantillons de plantes analysés proviennent,
soit de l'Institut du papyrus au Caire (Docteur Ragab), soit du
Museum d'Histoire naturelle à Paris, soit d'une boutique
de fleuriste.
|
|
Base des tiges d'un pied de papyrus.
(Cliché Eve Menei)
|
Coupe transversale de tige de papyrus
montrant la présence d'un parenchyme à larges
lacunes ou aérenchyme. |
|
Coupe transversale
de tige de papyrus. Vue des différents tissus (contraste
de phase).
(Cliché Jean-Pierre Rubinstein) |
 |
 |
| Nombreux
faisceaux conducteurs dispersés dans l'aérenchyme. |
Détail
d'un faisceau conducteur présentant du xylème
constitué de deux larges vaisseaux et du phloème,
entourés d'un cylindre de fibres. |
(Coloration au
carmin vert d'iode, la cellulose est colorée en rose
et la lignine en vert.)
(Cliché
Jean-Pierre Rubinstein) |
Tout le centre de l'organe est occupé par une abondante moelle
formée surtout d'un parenchyme de type aérenchyme.
Le caractère spongieux de ce dernier est dû à
la présence de larges lacunes disposées en canaux
parallèles. Ces lacunes sont séparées par des
lames ayant une seule épaisseur de cellules. A la jonction
de ces lames se trouve, soit une cellule trilobée, soit trois
cellules en butée.
|
|
|
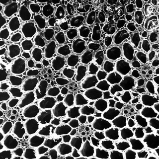
Coupe transversale de tige de papyrus
vue en microscopie électronique à balayage (MEB).
Les faisceaux conducteurs sont dispersés
dans un aérenchyme à larges lacunes. |
Détail de la région
centrale de tige de papyrus vue en perspective (MEB).
L'aérenchyme forme des
lames unicellulaires limitant les lacunes . |
|
|
Fort grossissement,
un faisceau conducteur au milieu de l'aérenchyme montrant
2 gros vaisseaux (MEB). |
L'aérenchyme est parcouru par de nombreux faisceaux conducteurs
de dimensions variées et disposés irrégulièrement.Le
protoxylème est résorbé en laissant une large
lacune ; les éléments vasculaires sont réduits
à deux gros vaisseaux de métaxylème. Le faisceau
est entouré par un cylindre de fibres surtout développées
aux pôles phloèmien et xylèmien. Les fibres
sont des éléments longs de 1 à 4 millimètres
à croissance intrusive, à paroi épaisse présentant
une forte teneur en cellulose et un lumen réduit.
Une gaine périfasciculaire assure la transition entre les
faisceaux conducteurs et l'aérenchyme. Constituée
par des cellules ovoïdes, à paroi cellulaire non lignifiée,
elle est en contiguité par sa face interne, avec le cylindre
de fibres et de cellules sclérenchymateuses. La majeure partie
du contenu de ces cellules est occupée par de nombreux plastes,
contenant chacun trois ou quatre grosses enclaves amylifères.
La présence ou l'absence d'amidon dans ce matériel
a été source de controverses entre les papyrologues.
C'est un point important car l'amidon constitue un produit d'adhésion
possible lors de la confection des supports d'écriture et
nous aurons à y revenir. Certains auteurs ont nié
cette présence, c'est pourquoi il est nécessaire d'insister
sur le fait que l'amidon a été mis en évidence
ici dans pratiquement tous les types cellulaires des tissus médullaires,
y compris dans les fibres de soutien les plus différenciées.
Toutefois, son abondance dépend de l'origine des échantillons.
Il est observé plus fréquemment dans les tiges poussées
en Egypte que dans celles provenant du Museum d'Histoire Naturelle.
Il est donc probable que l'âge, le niveau dans la tige et
les conditions de culture (en particulier l'éclairement et
la température) expliquent en partie les controverses, conditions
qui ne semblent pas avoir été prises en compte par
certains auteurs.
|
|
Coupe transversale de tige de papyrus.
Cellule de la gaine périfasciculaire remplie de volumineux
grains d'amidon. Microscopie électronique à
transmission. |
Dans les régions les plus différenciées, c'est-à-dire
au coeur des pôles fibreux des plus gros faisceaux vasculaires,
les parois sont toutes massives, n'exposant pas de stratification.
|